Sensor de Desplazamiento Eddy Current MTN/EP480
- Fabricante: Monitran
- Categoría: Desprazamento, SENSORES
La monitorización de la posición axial y la expansión térmica en grandes activos rotativos, como turbinas hidráulicas o generadores de gran potencia, requiere sensores con un rango de medida muy superior al estándar. El MTN/EP480 resuelve esta necesidad proporcionando una ventana de medición de 12 mm sin contacto físico, lo que permite supervisar desplazamientos significativos del eje sin riesgo de colisión mecánica ni desgaste del sensor, garantizando la seguridad en infraestructuras críticas.
Este sensor utiliza el principio de corrientes de Foucault para entregar una sensibilidad nominal de 1.4 mV/µm con una linealidad del 1%. Su diseño electrónico permite capturar variaciones desde la posición estática (DC) hasta componentes dinámicos de alta velocidad de 10 kHz. Esta capacidad es fundamental para el análisis de órbitas de eje y la detección precoz de huelgos excesivos en cojinetes de metal blanco, donde una desviación milimétrica puede ser el preludio de un fallo catastrófico en la planta.
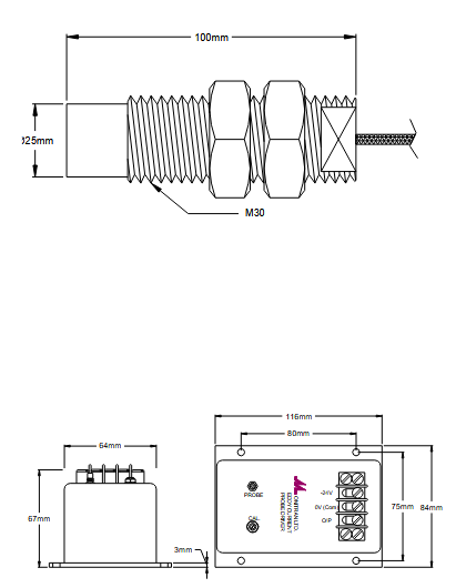
Construido para operar en las condiciones más exigentes, el MTN/EP480 presenta un robusto cuerpo de acero inoxidable con rosca M30 y un diámetro de sonda de 25 mm. Su cabezal de Peek asegura una estabilidad dieléctrica excepcional frente a aceites industriales, permitiendo que el sensor mantenga su precisión en temperaturas de hasta 180°C. La integración se realiza mediante cables RG179 de alta fidelidad, asegurando que la transmisión de la medida de desplazamiento sea inmune a las interferencias electromagnéticas típicas de los entornos de generación de energía.
- Rango lineal máximo de hasta 12 mm para grandes desplazamientos axiales.
- Alta resistencia térmica con operación continua en sonda hasta los 180°C.
- Cuerpo industrial reforzado M30 para montajes de alta estabilidad mecánica.
- Monitorización dual de posición estática (gap) y vibración dinámica (hasta 10 kHz).
Preguntas Frecuentes Técnicas
1. ¿Por qué la sensibilidad es menor (1.4 mV/µm) que en modelos más pequeños?
En los sensores de corrientes de Foucault, existe una relación directa entre el diámetro de la punta y el rango de medida. Al aumentar el diámetro para alcanzar los 12 mm de rango, la sensibilidad nominal se ajusta a 1.4 mV/µm para asegurar que la señal se mantenga dentro de los límites de linealidad del driver MTN/ECPD en todo su recorrido.
2. ¿Qué requisitos de tamaño debe cumplir el eje para este sensor?
Debido al gran diámetro de la punta (25 mm), el objetivo metálico (target) debe ser significativamente mayor que en otros modelos. Se recomienda una superficie de medición de al menos 65 mm de diámetro para evitar efectos de borde que podrían distorsionar la linealidad de la medida de desplazamiento de 12 mm.
3. ¿Es apto para medir huelgos en cojinetes de metal blanco?
Sí, el MTN/EP480 es la solución ideal para la monitorización de «Plain Metal Bearings» (cojinetes de fricción). Su amplio rango permite absorber las tolerancias de montaje iniciales y las expansiones térmicas naturales de los grandes ejes, proporcionando una lectura precisa del espesor de la película de aceite durante la operación.
Propiedades
| Característica | Especificación técnica |
| Tipo de Dispositivo | Sensor de Desplazamiento sin Contacto |
| Tecnoloxía de medición | Corrientes de Foucault (Eddy Current) |
| Rango Lineal de Medida | 0 a 12 mm |
| Sensibilidade nominal | 1.4 mV/µm |
| Linealidad de la Medida | 1% (Nominal) |
| Resposta en frecuencia | DC hasta 10 kHz |
| Necesidades nutricionais | -24V DC (Vía Driver MTN/ECPD) |
| Temperatura de la Sonda | -30 °C hasta +180 °C |
| Material de la Punta | Peek (Polímero de alta resistencia) |
| Material del Cuerpo | Acero Inoxidable |
| Rosca de Montaje | M30 x 1.5mm |
| Diámetro de la Punta | 25 milímetros |
| Longitud del Cuerpo | 100 mm (Incluyendo punta) |
| Cable de Conexión | RG179 con aislamiento PTFE |
| Material de Calibración | Acero grado AISI 4140 |


Outros produtos






