I/115 Encoder Incremental Robust
- Fabricant: ELCIS -SICOD
- Categoria: Encoder, Incremental Robust, SENSORS
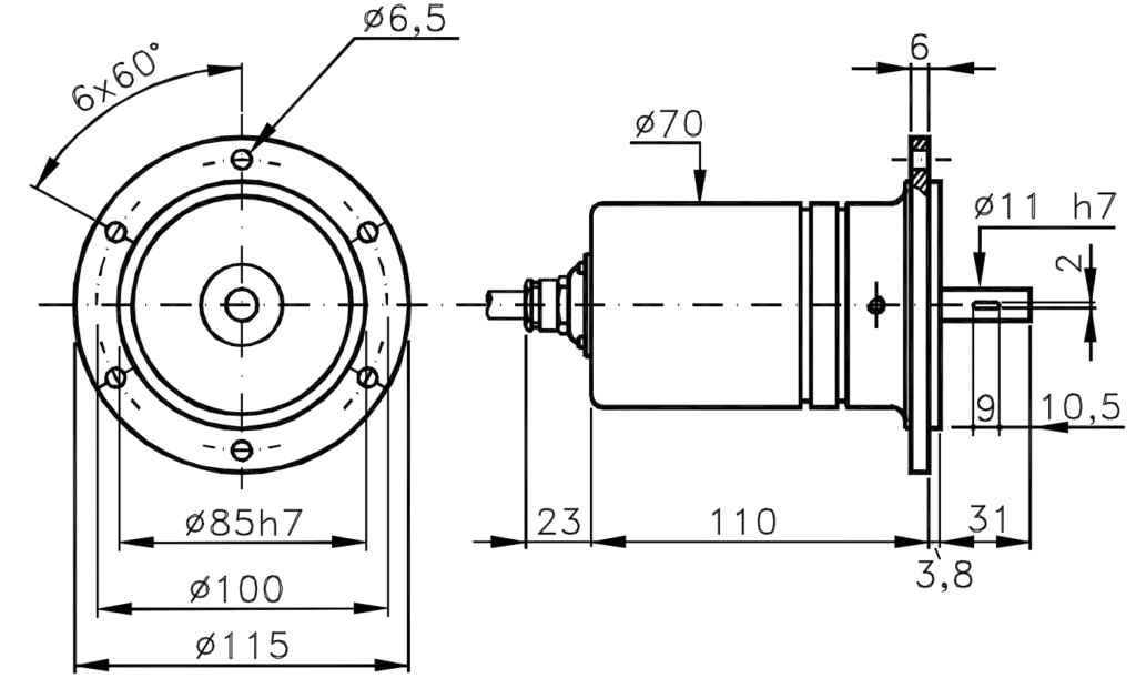
L'encoder incremental ELCIS I/115 és un model de grans dimensions i construcció robusta, dissenyat per a aplicacions industrials que requereixen elevada precisió i màxima fiabilitat. La seva carcassa metàl·lica de Ø 115 mm, mecanitzada en alumini anoditzat, ofereix excel·lent estabilitat estructural i resistència davant de vibracions i impactes.
Disposa d'un eix massís de Ø 11 mm amb longitud de 31 mm i un pes aproximat de 850 g, cosa que proporciona gran rigidesa mecànica fins i tot en muntatges sobre eixos de transmissió o motors industrials. Ofereix resolucions configurables des d'1 fins a 25.000 polsos per revolució (ppr) i una freqüència de sortida fins a 300 kHz, adequada per a sistemes d'alta velocitat i control dinàmic.
L'encoder I/115 admet alimentació de 5 a 30 V DC i diferents configuracions electròniques (line driver, push-pull o col·lector obert), garantint compatibilitat amb els principals controladors i autòmats del mercat.
Gràcies al disseny sòlid i la protecció IP54 (IP65 opcional), aquest model assegura un funcionament estable en entorns industrials exigents, mantenint precisió i durabilitat en llargues jornades de treball.
Propietats
| Paràmetre | Especificació |
|---|---|
| Model | ELCIS I/115 |
| Tipus | Encoder incremental, eix sòlid |
| Dimensions | Ø 115 × 113,8 mm |
| Diàmetre de l'eix | Ø 11 mm |
| Longitud de l'eix | 31 mm |
| Resolució | 1 … 25.000 ppr |
| Freqüència de sortida | Fins a 300 kHz |
| Alimentació | 5 – 30 V DC |
| Tipus de senyal | Line driver / push-pull / col·lector obert |
| Velocitat continua | Alta, segons configuració electrònica |
| Resistència a impactes | 50 G × 11 ms |
| Resistència a vibracions | 12 G (10 – 2.000 Hz) |
| Temperatura d'operació | 0 °C a +70 °C |
| Temperatura d'emmagatzematge | –30 °C a +85 °C |
| Protecció | IP-54 (IP-65 opcional) |
| Material cos | Alumini anoditzat |
| Pes | ≈ 850 g |


Altres productes








