I/115R – Codificador incremental robusto
- Fabricante: ELCIS-SICOD
- Categoría: Codificador, Codificador incremental, Codificador incremental robusto, SENSORES
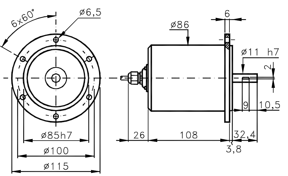
O encoder incremental ELCIS I/115R é un modelo robusto e preciso deseñado para aplicacións industriais que requiren un control fiable de movemento e posicionamento. A súa carcasa de 115 mm de diámetro está feita completamente de aluminio anodizado e mecanizado, o que garante unha excelente resistencia mecánica e estabilidade dimensional en entornos de traballo esixentes.
Presenta un eixe sólido de 11 mm de diámetro cunha lonxitude de 31 mm, pesa aproximadamente 850 g e ten unha construción metálica totalmente selada, o que garante durabilidade e precisión mesmo en presenza de vibracións ou impactos. Ofrece resolucións configurables de 1 a 25 000 pulsos por revolución (ppr) e unha frecuencia de saída máxima de 300 kHz, axeitada para aplicacións de alta velocidade e control dinámico.
O codificador I/115R admite fontes de alimentación de 5 a 30 V CC e múltiples configuracións electrónicas (controlador de liña, push-pull ou colector aberto), o que garante a compatibilidade coa maioría de controladores, convertidores de frecuencia e sistemas de automatización.
Grazas á súa combinación de gran diámetro, alta resolución e deseño robusto, o modelo I/115R úsase habitualmente en maquinaria pesada, servomotores, bancos de probas e equipos industriais onde se require fiabilidade, precisión e longa vida útil.
Propiedades
| Parámetro | Especificación |
|---|---|
| Modelo | ELCIS I/115R |
| Rapaz | Encoder incremental, eixo sólido |
| Dimensións | Ø 115 × 113,8 mm |
| Diámetro do eixo | Ø 11 mm |
| Lonxitude do eixe | 31 milímetros |
| Resolución | 1 … 25.000 ppr |
| Frecuencia de saída | Ata 300 kHz |
| Alimentación | 5 – 30 V CC |
| Tipo de sinal | Condutor de liña / push-pull / colector aberto |
| Material do corpo | aluminio anodizado |
| Peso | ≈ 850 g |
| Protección | IP-54 (IP-65 opcional) |
| Aplicacións típicas | Maquinaria pesada, motores, bancos de probas, automatización |


Outros produtos







