I/90A Kodetzaile Inkremental Sendoa
- Fabrikatzailea: ELCIS-SICOD
- Kategoria: Kodetzailea, Inkremental sendoa, SENTOREAK
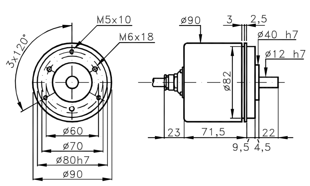
ELCIS I/90A kodetzaile inkrementala modelo industrial sendo eta fidagarria da, makineria zorrotzetan posizio eta abiadura kontrolerako aplikazioetarako diseinatua. 90 mm-ko Ø aluminio anodizatuzko karkasa guztiz mekanizatu batekin fabrikatua, egitura sendoa, zehatza eta bibrazio eta inpaktuarekiko erresistentea eskaintzen du.
12 mm-ko diametroko ardatz sendoa du eta gutxi gorabehera 800 g pisatzen du, funtzionamendu-baldintza jarraituetan egonkortasun mekaniko bikaina bermatuz. Biraketa bakoitzeko 1etik 25.000 pultsura (ppr) arteko bereizmen konfiguragarriak eskaintzen ditu, 100 kHz-ko irteera-maiztasun estandarrarekin eta bertsio berezietarako 300 kHz-rainoko aukerarekin.
I/90A kodetzaileak 5 eta 30 V arteko korronte zuzeneko elikatze-iturri batekin funtzionatzen du eta seinale elektroniko mota desberdinekin (line driverra, push-pull edo kolektore irekia) eskuragarri dago, industria-kontrol sistema gehienetara erraz egokituz.
6.000 bira/min-tik gorako abiadura jarraitua, 50 G × 11 ms-ko talkarekiko erresistentzia eta 12 G-ko bibrazioarekiko erresistentzia (10–2.000 Hz) dituen kodetzaile honek funtzionamendu egonkorra eta iraunkorra bermatzen du. IP54 babes-maila (IP65 aukerakoa) eta 0 °C eta +70 °C arteko funtzionamendu-tenperatura-tarteak aukera aproposa bihurtzen dute makineria astunerako, proba-bankuetarako, servomotorretarako eta industria-automatizaziorako.
Propietateak
| Parametroa | Zehaztapena |
|---|---|
| Modeloa | ELCIS I/90A |
| Mutila | Kodetzaile inkrementala, ardatz solidoa |
| Etxebizitzaren diametroa | Ø 90 mm |
| Gorputzaren luzera | ≈ 95 mm |
| Ardatzaren diametroa | Ø 12 mm |
| Bereizmena | 1 … 25.000 ppr/ |
| Irteerako maiztasuna | 100 kHz estandarra / 300 kHz aukerakoa |
| Elikadura | 5 – 30 V korronte zuzena |
| Seinale mota | Line driver / bultza-tira / kolektore irekia |
| Abiadura jarraitua | > 6.000 bira/min |
| Inpaktuarekiko erresistentzia | 50 G × 11 ms |
| Bibrazio erresistentzia | 12 G (10 – 2.000 Hz) |
| Funtzionamendu-tenperatura | 0 °C-tik +70 °C-ra |
| Biltegiratze tenperatura | –30 °C-tik +85 °C-ra |
| Babesa | IP-54 (IP-65 aukerakoa) |
| Gorputzaren materiala | Aluminio anodizatua |
| Pisua | ≈ 800 g |


Beste produktu batzuk









