Convertidor de Señal Monitran MTN/ECPD
- Fabricant: Monitran
- Categoria: Convertidors de senyal, INSTRUMENTACIÓ
La monitorización de la posición y vibración de ejes mediante sondas de proximidad genera señales de radiofrecuencia complejas que no pueden ser procesadas directamente por sistemas de control convencionales. El MTN/ECPD actúa como el convertidor de señal crítico que demodula estas fluctuaciones de alta frecuencia, amplificándolas y linealizándolas para proporcionar una salida analógica directamente proporcional al huelgo (gap) o a la vibración del objetivo. Este dispositivo es el puente necesario para integrar la tecnología de medida sin contacto en arquitecturas PLC o SCADA modernas.
Este convertidor de señal incorpora circuitos rectificadores y de linealización interna de alta precisión que garantizan una linealidad superior al 1% en todo el rango dinámico de la sonda conectada. Según el modelo específico seleccionado, el MTN/ECPD puede entregar una salida de tensión (0 a 16V o 0 a 10V) o una salida de corriente industrial de 4-20 mA, permitiendo una monitorización continua tanto de la posición estática del eje como de su comportamiento dinámico en frecuencias de hasta 10 kHz. Esta versatilidad lo convierte en el estándar para la protección de turbinas, compresores y bombas de alta responsabilidad.
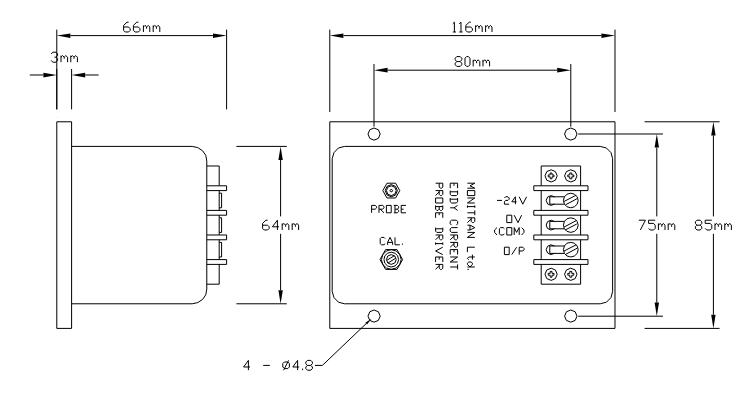
Diseñado para su instalación en cuadros eléctricos industriales, este convertidor se aloja en carcasas compactas para carril DIN con terminales de tornillo de alta seguridad que facilitan la integración en planta. El sistema permite gestionar distancias de cableado de hasta 9 metros entre el equipo y la sonda, manteniendo la integridad de la medida incluso en entornos con altas interferencias electromagnéticas. Al ser un equipo calibrado individualmente junto con su sonda y cable de extensión, asegura una repetibilidad y exactitud absoluta en la vigilancia de activos rotativos críticos.
- Procesamiento de señal multivariable: Salidas de gap (DC) y vibración (AC).
- Alta linealidad y respuesta: <1% de error y ancho de banda hasta 10 kHz.
- Opciones de salida industrial: Tensiones configurables y lazos de 4-20 mA.
- Gestión de cableado extendido: Soporta hasta 9 metros de longitud total de sonda.
Preguntas Frecuentes Técnicas
1. ¿Se puede intercambiar un convertidor MTN/ECPD entre diferentes sondas?
No es recomendable. Los sistemas de medida por proximidad se calibran como un conjunto compuesto por la sonda, el cable de extensión y el convertidor. Cambiar cualquiera de estos componentes individualmente anulará la calibración del sistema, comprometiendo la exactitud de la medida de desplazamiento.
2. ¿Cómo se utiliza la salida DC para el ajuste inicial de la sonda?
El voltaje DC de salida del convertidor es proporcional a la distancia entre la punta de la sonda y el eje. Esta señal es fundamental durante el montaje mecánico para posicionar la sonda a la distancia de trabajo óptima (punto medio del rango lineal), asegurando que el sistema tenga suficiente margen dinámico para medir desplazamientos.
3. ¿Qué diferencia existe entre el modelo estándar y las variantes ECPD2?
Mientras que el convertidor estándar suele requerir una alimentación de tres hilos, las variantes ECPD2 están diseñadas como transmisores de dos hilos alimentados por el lazo de corriente (loop-powered). Esto simplifica significativamente el cableado en instalaciones donde solo se dispone de entradas analógicas de 4-20 mA en el PLC.
Propietats
| Característica | Especificació Tècnica |
| Tipo de Dispositivo | Convertidor de Señal para Sondas de Proximidad |
| Funció Principal | Demodulación, amplificación y linealización de señal |
| Compatibilidad de Sonda | Serie Monitran EP (EP080, EP200, EP340, EP480) |
| Salida Estándar (Tensión) | 0-10V o 0-16V DC (Proporcional a gap/vibración) |
| Salida Estándar (Corriente) | 4-20 mA (Opciones según submodelo) |
| No Linealidad | Menor al 1% (nominal) |
| Resposta en Freqüència | DC hasta 10 kHz |
| Alimentació Requerida | +24V DC o -24V DC @ 30mA (según modelo) |
| Impedancia de Salida | 50 Ω |
| Humedad Máxima | 95% (No condensante) |
| Temperatura de Operación | -20 °C hasta +80 °C |
| Muntatge Mecànic | Carril DIN o Placa de montaje |
| Longitud Máxima de Sistema | 9 metros de cable coaxial apantallado |
| Connectivitat | Terminales de tornillo industriales |
| Modelos Configurables | ECPD24V, ECPD/78, ECPD/60, ECPD85, ECPD2 |


Altres productes









