Codificador incremental I/92 de alta resolução
- Fabricante: ELCIS-SICOD
- Categoria: Codificador, Alta resolução, SENSORES
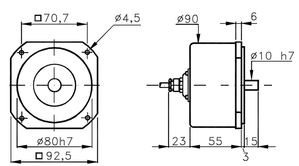
O encoder incremental ELCIS I/92 é uma solução robusta e de alta precisão, projetada para ambientes industriais exigentes. Sua carcaça metálica de 92 mm de diâmetro e aproximadamente 57 mm de comprimento é fabricada para garantir estabilidade mecânica e confiabilidade. Possui um eixo sólido de 10 mm de diâmetro e 15 mm de comprimento, proporcionando uma montagem segura em eixos de transmissão ou motores.
Este modelo oferece resoluções configuráveis de 1 a 90.000 pulsos por revolução (ppr) e uma frequência máxima de saída de até 1.000 kHz, tornando-o ideal para controle de velocidade de alta precisão, posicionamento dinâmico ou sistemas de automação. Opera com alimentação de 5 a 30 V CC, garantindo compatibilidade com uma ampla gama de sistemas industriais.
Graças ao seu design compacto, corpo metálico e alto desempenho, o encoder ELCIS I/92 é utilizado em máquinas de precisão, equipamentos OEM, máquinas de controle de movimento, sistemas de automação exigentes e aplicações onde é necessário um sinal de alta velocidade e alta resolução.
Propriedades
| Parâmetro | Especificação |
|---|---|
| Modelo | ELCIS I/92 |
| Cara | Encoder incremental, eixo sólido |
| Dimensões | Ø 92 × 57 mm |
| Diâmetro do eixo | Ø 10 mm |
| Comprimento do eixo | 15 mm |
| Resolução | 1 … 90.000 ppr |
| Frequência máxima de saída | Até 1.000 kHz |
| Alimentação | 5 – 30 V CC |
| Material do corpo | Corpo metálico |
| Peso aproximado | ≈ 600 g |
| Aplicações típicas | Máquinas de precisão, automação industrial |


Outros produtos







