I/90Z Encoder Incremental resolució elevada
- Fabricant: ELCIS -SICOD
- Categoria: Encoder, Encoder Incremental Resolució Elevada, SENSORS
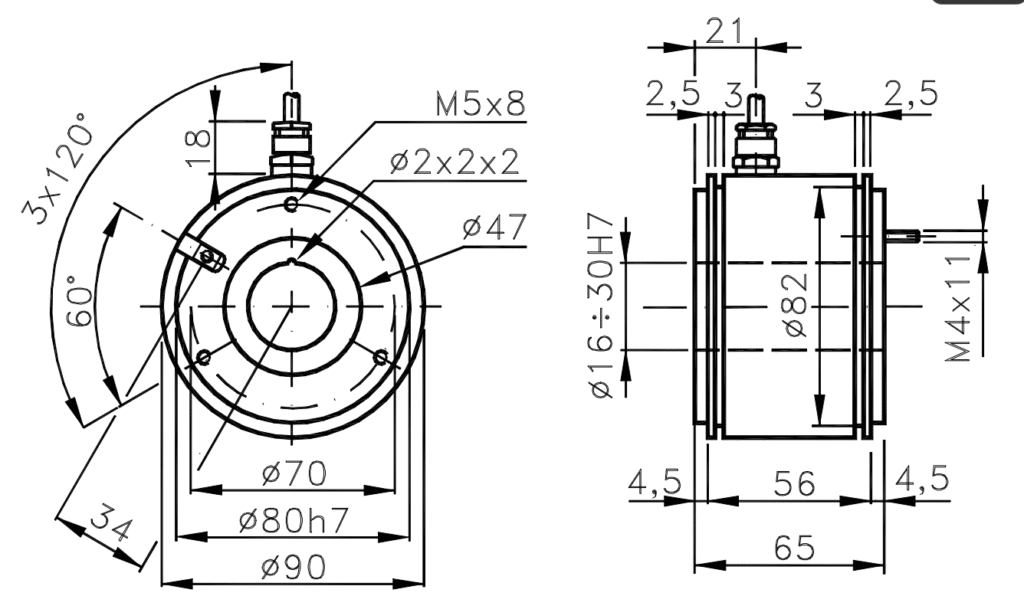
L'encoder incremental ELCIS I/90Z és una proposta sòlida per a aplicacions industrials que demanen robustesa, precisió i muntatges directes sobre eixos de transmissió importants. La carcassa metàl·lica de Ø 90 mm i una profunditat de 65 mm permeten una integració compacta, mentre que l'eix passant de Ø 30 mm ofereix una connexió fiable i estable.
Amb resolucions configurables des d'1 fins a 36.000 polsos per revolució (ppr) i una freqüència de sortida fins a 500 kHz, aquest model està dissenyat per a tasques exigents de control de velocitat i posicionament. Funciona amb una alimentació de 5 a 30 V DC, adaptant-se a la majoria de sistemes d'automatització industrial moderns.
Gràcies a la construcció robusta d'alumini anoditzat, l'eix de gran diàmetre i el rang d'aplicació, l'I/90Z resulta ideal per a maquinària pesant, bancs de prova industrials, sistemes de control de moviment intensiu i entorns on la fiabilitat és clau.
Propietats
| Paràmetre | Especificació |
|---|---|
| Model | ELCIS I/90Z |
| Tipus | Encoder incremental, eix passant |
| Diàmetre de carcassa | Ø 90 mm |
| Llarg del cos | ≈ 65 mm |
| Diàmetre de l'eix | Ø 30 mm passant |
| Resolució | 1 … 36.000 ppr |
| Freqüència màxima | Fins a 500 kHz |
| Alimentació | 5 – 30 V DC |
| Material del cos | Alumini anoditzat |
| Pes aproximat | ≈ 6.750 g |
| Aplicacions típiques | Maquinària pesada, bancs de prova, automatització industrial |


Altres productes







