Sensor de Par Torsor F0eS 30k RPM: Precisión Óptica Superior
- Fabricante: ATESTEO
- Categoría: Par torsor, SENSORES
Sensor de Par Torsor F0eS: Dinámica Extraordinaria
Sensor de Par Torsor F0eS de ATESTEO. Diseñado para la excelencia, este transductor óptico es la referencia en alta velocidad. Su tecnología digital ofrece una estabilidad inigualable para el desarrollo de motores eléctricos y competición.
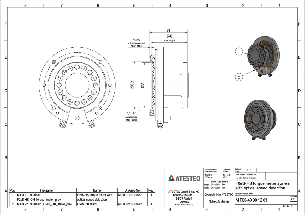
Rendimiento superior: hasta 30.000 RPM, precisión del 0.05% (opcional 0.03%) y rigidez torsional extrema. Su sistema óptico garantiza una señal limpia y perfecta, convirtiéndolo en la solución más avanzada del mercado.
Preguntas Frecuentes (FAQ)
¿Por qué elegir la tecnología óptica?
Ofrece una resolución de señal muy superior a los sistemas convencionales, capturando picos transitorios con total fidelidad y sin interferencias.
¿Es adecuado para E-Mobility?
Absolutamente. Su baja inercia y capacidad para altas revoluciones lo hacen indispensable para probar los motores eléctricos más potentes y eficientes.
Propiedades
| Par Nominal (Mdn) | 50 / 100 / 200 / 500 / 1.000 Nm |
| Clase de Precisión | ≤ ±0.05% (Opcional ≤ ±0.03%) |
| Velocidad Máxima (Óptica) | Hasta 20.000 rpm (Std) / 30.000 rpm (HS) |
| Sistema de Velocidad | Óptico (Alta Resolución) |
| Salida de Frecuencia | 60 kHz ± 20 kHz (RS422) |
| Salida Analógica | ±10 V / ±5 V / 4…20 mA / 0…20 mA |
| Salida Digital | CAN bus (2B) / RS232 (Config) |
| Rango de Tensión | 23 … 25 V DC |
| Rango de Temperatura (Operativa) | -20 … +85 °C |
| Rango de Temperatura (Almacén) | -30 … +85 °C |
| Rigidez Torsional | 23 … 356 kNm/rad (Según rango) |
| Inercia del Rotor | 0.0012 … 0.0013 kgm² |
| Peso (Rotor / Estator) | ~1.2 kg / ~1.1 – 2.1 kg |
| Límite de Carga (Par) | 500% del Nominal (Resistencia Extrema) |
| Carga de Rotura | > 1000% del Nominal |
| Resistencia a Golpes (Shock) | 650 m/s² (3 ms) |
| Resistencia a Vibración | 200 m/s² (10…2000 Hz) |


Otros productos







