Sensor de par de referencia DF-RTS 50-10.000 Nm | Estacionario | Precisión de clase 0,04 (0,02 opcional)
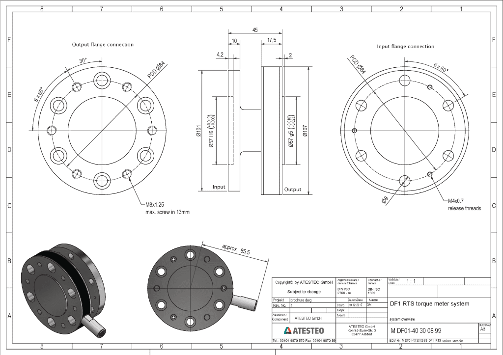
A serie DF-RTS (sensor de par de referencia) actúa como o principal estándar de transferencia para laboratorios na validación DIN 51309. Deseñada para aplicar a compatibilidade de tipo 1:1 substitución directa En comparación coas referencias históricas, a súa matriz de aceiro inoxidable incorpora os estándares de brida PCD escalonada (de 84,0 mm en DF1 a 196,0 mm en DF5). Esta modularidade dimensional garante que os departamentos de calibración poidan probar as montaxes estáticas do dinamómetro sen realizar ningunha modificación mecánica no instrumento que se está calibrando.
O núcleo de lectura evita flutuacións parasitarias mediante unha compensación térmica extrema e unha transmisión directa, herdando a perfección analítica da telemetría indutiva (de dobre frecuencia). Isto xera unha inmunidade EMI incuestionable en ambientes altamente radiados, estabilizando toda a ponte de detección. O máximo expoñente metrolóxico do espectro de sensores de par garante certificados sen desviacións en Guemisa.
Propiedades
| Rango nominal (Nm) | 50 … 10.000 (DF1-RTS a DF5-RTS) |
| Límite de rotación constante | Rotación estacionaria / lenta |
| Precisión global (DIN 51309) | Clase 0,04 (Opcional 0,02) |
| Brida mecánica PCD | PCD 84,0 mm … 196,0 mm |
| Tecnoloxía de transmisión | Extensómetros DMS calibrados |
| Repetibilidade estática | < 0,01% |
| Sensibilidade nominal | 1 mV/V ou 2 mV/V (dependendo do modelo) |
| Sobrecarga segura | Rango nominal 150% |
| Influencia da temperatura a cero | < 0,002% / 10K |


Outros produtos





