Encodeur absolu IP69K A-942XS
- Fabricant: ELCIS-SICOD
- Catégorie: Encodeur, Encodeur absolu, Encodeur absolu multitours, CAPTEURS
L'encodeur absolu multitours ELCIS A/942XS est un encodeur industriel robuste conçu pour les applications critiques où une fiabilité maximale, une précision absolue et un fonctionnement continu sont requis, même après des coupures de courant.
Grâce à sa technologie magnétique multitours auto-alimentée, l'encodeur maintient une position absolue précise sans nécessiter de piles ni d'engrenages, ce qui élimine la maintenance et garantit une longue durée de vie. Il intègre une interface SSI avec fonction de préréglage, une sortie RS422 et une signalisation en code Gray, assurant une transmission de données robuste et stable même dans les environnements industriels les plus exigeants.
Sa conception mécanique, entièrement réalisée en acier inoxydable AISI 316L (V4A), ainsi que son indice de protection IP68/IP69K, la rendent particulièrement adaptée aux environnements difficiles : applications marines et navales, industrie alimentaire avec lavage à haute pression, installations chimiques, machines lourdes et zones extérieures exposées à l'humidité, à la salinité, à la poussière ou à des agents corrosifs.
L'encodeur offre une résolution de 13 bits par tour (tour simple) et de 12 bits pour les tours multiples, assurant une mesure précise de la position angulaire et du nombre de tours cumulés. Il dispose également d'une entrée DIR pour inverser le sens de comptage et d'une fonction Preset pour la mise à zéro directe depuis le système de contrôle, facilitant ainsi son intégration dans les systèmes d'automatisation avancés.
Grâce à sa robustesse, son indice de protection IP69K contre l'eau, sa résistance aux vibrations et aux chocs, et sa construction en acier inoxydable, l'ELCIS A/942XS est une solution idéale pour les applications où les codeurs conventionnels ne peuvent pas résister : aux environnements marins, aux processus de lavage intensifs, aux machines mobiles et aux systèmes exposés à des conditions environnementales extrêmes.
Propriétés
| Paramètre | Valeur |
|---|---|
| Type d'encodeur | Multi-shift absolu |
| Interface | SSI avec préréglage |
| Format SSI | MMMMMMMMMMMMSSSSSSSSSSSSSO |
| Résolution en un seul tour | 13 bits |
| Résolution multi-shift | 12 bits |
| Technologie multi-équipes | Compteur magnétique autonome (aucune pile requise) |
| Précision (INL) | ±0,0878° (<12 bits) |
| Code | Gris |
| Sortie | RS422 |
| Tension d'alimentation | 4,5…30 V CC |
| Consommation typique | 50 mA |
| Consommation maximale. | ≤ 1 W |
| Fréquence d'horloge | 100 kHz…2 MHz |
| Temps de démarrage | < 1 s |
| Fonctions | Préréglage + inversion de direction (DIR) |
| Nombre de cycles prédéfinis | 5.100.000 |
| Matériau du boîtier | acier inoxydable AISI 316L (V4A) |
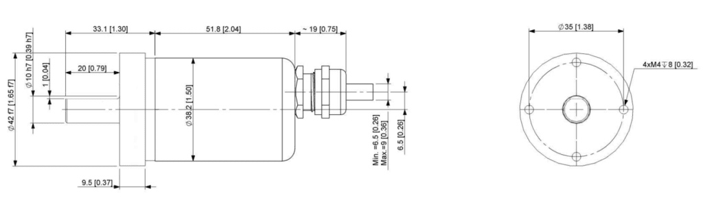
| Diamètre du boîtier | Ø42 mm |
| Type à bride | Synchro Heavy Duty |
| Axe | Acier inoxydable trempé massif Ø10 mm |
| charge maximale par essieu | Axial 300 N / Radial 300 N |
| Vitesse maximale. | ≤ 6000 tr/min |
| Couple de frottement | ≤ 6 Ncm |
| Degré de protection | IP68 / IP69K (arbre et boîtier) |
| Température de travail | -40…+80 °C |
| Résistance aux vibrations | ≤ 30 g (10–1000 Hz) |
| Résistance aux chocs | ≤ 300 g |
| Connexion électrique | Câble axial PUR/PU, 2 m |
| Certification | CE |
| Cycle de vie | Produit en production (Établi) |


Autres produits







