RT1eS-B
High-speed shaft torque sensor up to 70,000 rpm, 0.03% accuracy and non-contact design.
- Manufacturer: CENSORED
- Category: Torque torque, SENSORS
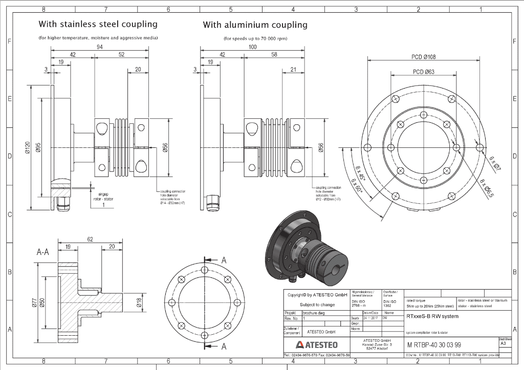
He RT1eS-B of CENSORED It represents the cutting edge in torque measurement for high-dynamic rotating shafts. Designed specifically for the challenges of the e-mobility and ultra-high-speed test benches, it is capable of operating with precision up to 70,000 rpm.
High Dynamic Precision
Its optimized construction of low inertia Its contactless inductive digital transmission eliminates maintenance and mechanical wear. This ensures absolute reliability and a clean signal even in harsh electromagnetic environments.
Ideal for characterizing small electric motors and precision components (5 to 20 Nm), it offers immediate integration thanks to its simultaneous analog, frequency and Fieldbus (CAN) outputs, without the need for external converters.
Properties
Technical Specifications
| Nominal Pair (Mdn) | 5, 10, 15, 20 Nm |
| Accuracy Class | ≤ ± 0.03 % |
| Maximum speed | 70,000 rpm (RW version) |
| Allowable Overload | 200 % from Mdn |
| Axial Displacement | ± 1.0 mm (Maximum) |
| Feeding | 24 V DC (23 … 25 V) |
| Output Frequency | 60 kHz ± 30 kHz (RS422) |
| Analog Output | ± 10 V |
| Country Bus | CAN 2.0B (up to 1 MBaud) |
| IP protection | IP54 |


Other products

Analog electronic module for LVDT sensor

High Capacity Torque Measurement System and 6.5k RPM with TCU5

Range 2mS to 20S, For use in line with DIN11851 connector and C565.2 or C7685 controller.

NCTE S-BB-R Torque Sensor for E-Bikes and Pedelecs | Maximum Precision


