Sensor de Parell Torsor TiS Z50 50/100 Nm | 25.000 RPM | Rotor de Titani Dinàmic
- Fabricant: ATESTEU
- Categoria: Parell torsor, SENSORS
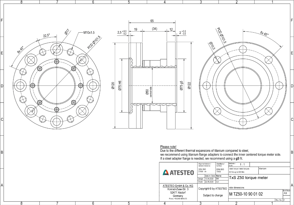
La cota TiS Z50 tanca el cercle de l'enginyeria de simulació intermèdia d'Atesteo presentant-se com a alternativa predilecta per a aquells laboratoris que exigeixen la resposta inercial més àgil possible. Esculpit estructuralment sota el factor de forma Z50 i segmentat per a lectures híbrides de 50 i 100 Nm, aquest mesurador abandona l'acer constructiu a favor del Titani grau industrial. L'ús d'aquest aliatge avançat desploma dràsticament la massa parasitària del rotor fins a ancorar el seu índex d'inèrcia en mers 0.00210 kg·m² (malgrat mantenir la seva àmplia Brida PCD creuada de 101.5 mm), cosa que evita l'alteració termodinàmica i l'esforç parasitari del propi sensor quan s'auditen. ultralleugers.
A nivell d'adquisició mètrica, pertany a la linajuda família de transmissió electromagnètica iS. Mentre l'estator de Titani suporta acceleracions sostingudes de 15.000 RPM (i configuracions estressants de Testbed balístic de fins a 25.000 RPM), el nucli descodifica l'esforç de gir sense contacte emprant inducció en quadratura. Gràcies a aquesta cruïlla galvànica estabilitzada, consolida una Classe de Precisió auditada del ≤±0.05%, suportant estoicament ambients contaminants on altres telemetries no tenen integritat. Configureu infraestructures de baixa inèrcia visitant la categoria de Sensors de Par Torsor àgils, o reforci els nusos de telemetria dels seus bancs explorant la Pàgina Principal de Guemisa.
Propietats
| Rang Nominal Metrològic (Nm) | 50 / 100 N·m (Capacitat Dual Híbrida) |
| Gestió del Rotacional Base / Bec | 15.000 RPM Base / Fins a 25.000 RPM (Testbed Dinàmic Àgil) |
| Diàmetre Concentricitat PCD Mètrica | Brida ISO 101.5 mm (Rotor Exterior 122 mm / 8 M10) |
| Material Estructural de l'Eix / Pont | Titani Pur (Baixa Massa, Alta Sensibilitat Transversal) |
| Densitat d'Inèrcia Transitòria | 0.00210 kgm² (Eliminació de la Resistència Parasitària) |
| Precisió Metrològica Calibrada | ≤ ±0.05% (Blindatge davant Deriva Flexible) |
| Tecnologia de Lectura al Vol | Transmissió Electromagnètica Inductiva (iS Series) |
| Estabilitat a Oscil·lació Contínua | Alta Integritat Galvànica sense Contaminació Creuada |
| Propòsit Desplegament Sectorial Veloç | e-Axle Compacte / Assajos Híbrids / Banc de Components |


Altres productes






